Accueil > Attaches et Liaisons > Attache acoustique à ressort filetage 6 mm - charge 30kg
Attache acoustique à ressort filetage 6 mm - charge 30kg
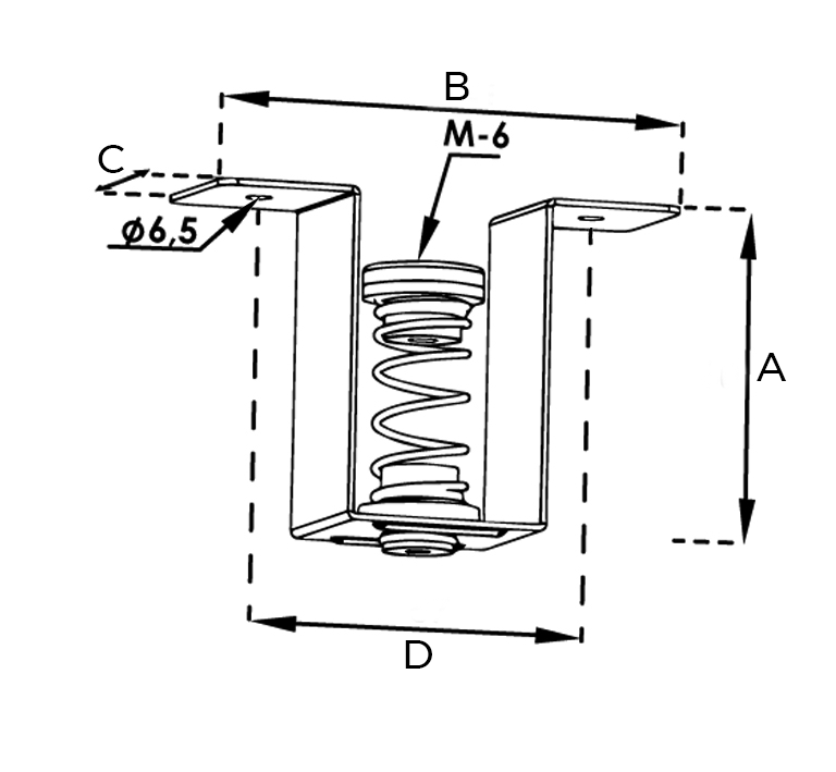
Attache en acier zingué bichromaté d’épaisseur 1,25 mm adaptée au milieu humide. Pièce en forme d’OMEGA composé d’un élément antivibratoire fabriqué avec un ressort de qualité corde de piano d’une grande résistance mécanique guidé par 2 caoutchoucs naturels et de 2 trous de diamètre 6,5 mm.
- Efficace toutes fréquences
- Spécial milieu humide
- Coupelle de réglage
- Attache de fixation sur charpente bois ou plancher béton à accompagner d’une tige filetée de 6 m, pour la réalisation de plafond en plaque de plâtre.
Caractéristiques techniques
- Référence
- OMEGADBH30
- Performances
-
- Charge permanente : 15 à 30 kg
- Conditionnement
- 25 pièces/boite
- Autres caractéristiques
- *Sur commande - délai 3 semaines
Dimensions
A : 80 mm
B : 121 mm
C : 43 mm
D : 87 mm
Guide de mise en oeuvre
Attache acoustique à ressort - étape 1
Fixez l’OMEGA à la structure à l’aide de 2 vis adaptées.
Attache acoustique à ressort - étape 2
Insérez la tige filetée puis régler sa hauteur avec la coupelle. Terminez en plaçant un écrou sur la tige.
Documentations
| Fiche produit | Télécharger |
Produits complémentaires
